Zeitrelais anzugs- und abfallverzögert M1 kompakt 24 V

zu den Bestellvarianten

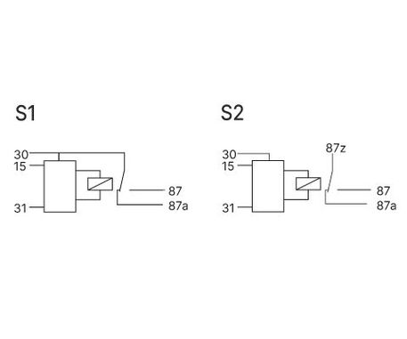
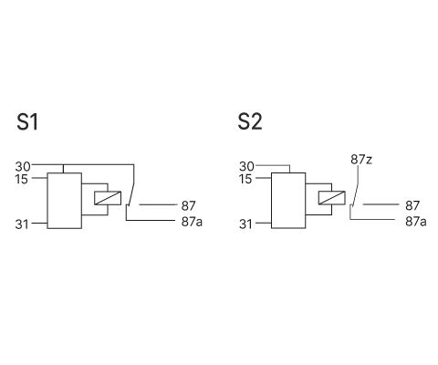
Zeit­re­lais an­zugs- und ab­fall­ver­zö­gert kom­pakt kön­nen ein­ge­setzt wer­den, wenn Ver­brau­cher zeit­ver­zö­gert ein- und aus­ge­schal­tet wer­den sol­len. Bitte geben Sie bei der Be­stel­lung die ge­wünsch­te An­zugs- und Ab­fall­ver­zö­ge­rungs­zeit an. Alle Schalt­bil­der: An Klem­me 30/87z wird Be­triebs­span­nung an­ge­legt. Wird an Klem­me 15 Span­nung an­ge­legt, zieht das Re­lais nach Ab­lauf der vor­ge­ge­be­nen Zeit an. Wird die Span­nung an Klem­me 15 weg­ge­nom­men, fällt das Re­lais nach Ab­lauf der vor­ge­ge­be­nen Zeit ab.

Schalt­bild S2: Die Kon­tak­te sind ge­trennt von der An­steue­rung und kön­nen daher in Ver­knüp­fun­gen ein­ge­setzt wer­den. Bei die­ser Va­ri­an­te ist der Re­lais­kon­takt kom­plett po­ten­ti­al­frei und somit in der Lage Wech­sel­span­nung zu schal­ten. Ge­häu­se­for­men fin­den Sie im Ka­pi­tel Ge­häu­se und Grund­kör­per.

Downloads
Technische Details

Ein- und Ausgänge

Anzahl Pins 5
Ein-/Ausgänge (gesamt) 2
Eingänge (gesamt) 1
Eingänge (digital) 1
Ausgänge (gesamt) 1
Relaisausgänge 1
Schaltstrom 15 A NC / 15 A NO

Mechanische Eigenschaften

Schutzklasse IP53
Gehäusematerial PA66GF30
Abmessungen 30 × 30 × 30 mm
Schaltzyklen 100000

Programmierung

Programmiersoftware MRS Realizer

Allgemeines

Temperaturbereich -40 bis +85°C
Betriebsspannung 16-32 V
Stromaufnahme 2 mA 

Kennzeichnungen

Bestellvarianten
Bestell-Nr.Bezeichnung
1.003.286.xx
Individuelle Verzögerungszeit, Typ A, Verbindung S1
1.003.287.xx
Individuelle Verzögerungszeit, Typ B, Verbindung S2

Field Application Engineering / Support Team

Sie haben Fragen zu unseren MRS Produkten? Unser Field Application Engineering / Support Team unterstützt Sie gerne.

MRS Online-Shop

MRS Online-Shop Privatkunden und E-Mobility

Online-Shop

Hier finden Sie unsere frei programmierbaren Steuerungen und Relais sowie unsere robusten und zuverlässigen MCharger Ladelösungen.


Kontakt

Sie möchten mehr erfahren oder suchen ein bestimmes Produkt?

Dann kontaktieren Sie uns gerne.

 

Kontaktformular Clear

Kontaktformular Clear