Zeitrelais abfallverzögert M3 24 V

zu den Bestellvarianten

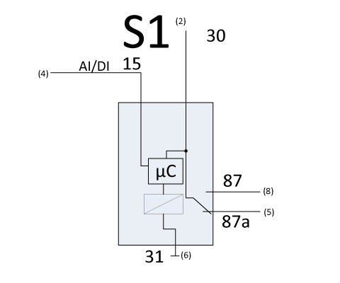
Zeitrelais abfallverzögert M3 schalten Verbraucher nach Ablauf der vorgegebenen Verzögerungszeit aus. Bitte geben Sie bei der Bestellung die gewünschte Verzögerungszeit an. Alle Schaltbilder: An Klemme 30/87z wird Betriebsspannung angelegt. Wird an Klemme 15 Spannung angelegt, zieht das Relais unmittelbar an. Wird die Spannung an Klemme 15 weggenommen fällt das Relais nach Ablauf der vorgegebenen Zeit ab.

Schaltbild S2: Die Kontakte sind getrennt von der Ansteuerung und können daher in Verknüpfungen eingesetzt werden. Bei dieser Variante ist der Relaiskontakt komplett potentialfrei und somit in der Lage Wechselspannung zu schalten. Schaltbild S4: Das Relais verbraucht durch die Diodenbeschaltung nach dem Abfallen keinen Ruhestrom. Variante S4 nur 10/15 A (Ö/S). Gehäuseformen finden Sie im Kapitel Gehäuse und Grundkörper.

Downloads
Technische Details

Ein- und Ausgänge

Anzahl Pins 5
Ein-/Ausgänge (gesamt) 2
Eingänge (gesamt) 1
Eingänge (digital) 1
Ausgänge (gesamt) 1
Relaisausgänge 1
Schaltstrom NC 15 A / NO 15 A

Mechanische Eigenschaften

Schutzklasse bis zu IP6K8
Gehäusematerial PA66GF30
Abmessungen 30 × 30 × 40 mm
Schaltzyklen 100000

Programmierung

Programmiersoftware MRS Realizer

Allgemeines

Temperaturbereich -40 bis +85°C
Betriebsspannung 14-32 V
Stromaufnahme 2 ± 1 mA 

Kennzeichnungen

Bestellvarianten
Bestell-Nr.Bezeichnung
1.003.291.xx
Individuelle Verzögerungszeit, Typ A, Verbindung S1
1.003.292.xx
Individuelle Verzögerungszeit, Typ B, Verbindung S2
1.003.220.xx
Individuelle Verzögerungszeit, Typ C, Verbindung S4, Basis Micro SPS

Field Application Engineering / Support Team

Sie haben Fragen zu unseren MRS Produkten? Unser Field Application Engineering / Support Team unterstützt Sie gerne.

MRS Online-Shop

MRS Online-Shop Privatkunden und E-Mobility

Online-Shop

Hier finden Sie unsere frei programmierbaren Steuerungen und Relais sowie unsere robusten und zuverlässigen MCharger Ladelösungen.


Kontakt

Sie möchten mehr erfahren oder suchen ein bestimmes Produkt?

Dann kontaktieren Sie uns gerne.

 

Kontaktformular Clear

Kontaktformular Clear