Unterspannungswächter 24 V mit Quittierung

zu den Bestellvarianten

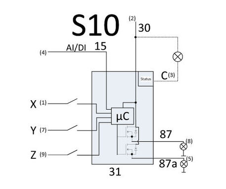
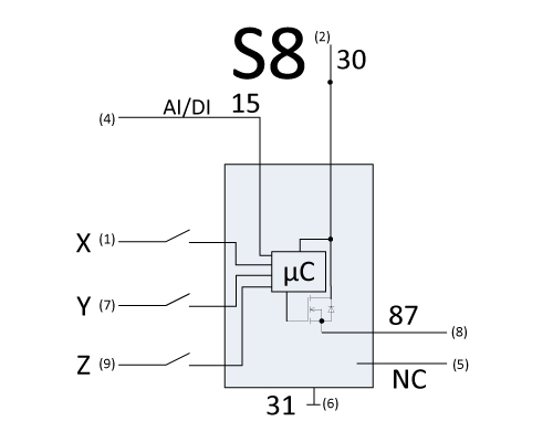
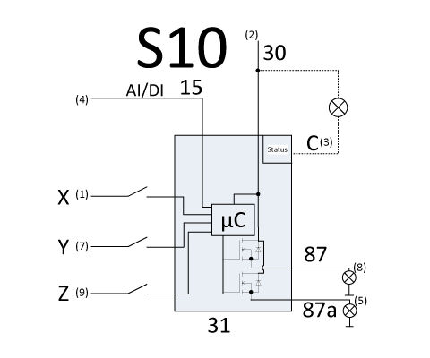
Der 24 V Spannungswächter mit Quittierung hat Ausgänge für Anzeige/Hupe etc. Er schaltet bei Über- oder Unterschreiten einer definierten Spannung ein akustisches und/oder optisches Signal. Bei Unterschreiten der unteren Spannungsschwelle an Klemme 15 werden die Ausgänge 87, 87a und c eingeschaltet. Mit dem Quittier­eingang x kann der Ausgang 87 wieder abgeschaltet werden, die Ausgänge 87a und C bleiben ein. Wird die obere Spannungsschwelle überschritten, werden alle Ausgänge ausgeschaltet. Andere Schalt­schwellen sind auf Anfrage möglich. Gehäuseformen finden Sie im Kapitel Gehäuse und Grundkörper.

Technische Details

Ein- und Ausgänge

Anzahl Pins 7
Ein-/Ausgänge (gesamt) 5
Eingänge (gesamt) 2
Eingänge (analog) 1
Eingänge (digital) 1
Ausgänge (gesamt) 3
Ausgänge (digital) 3
Schaltstrom 4A

Mechanische Eigenschaften

Schutzklasse IP53
Gehäusematerial PA66GF30
Abmessungen 30 × 30 × 40 mm

Programmierung

Programmiersoftware MRS Realizer

Allgemeines

Temperaturbereich -40 bis +85°C
Betriebsspannung 9-30 V

Kennzeichnungen

Bestellvarianten
Bestell-Nr.Bezeichnung
1.008.210.00
Schwellen: 23V / 25V; Unterspannungswächter mit 87a, Verbindung S10
1.008.210.xx
Individueller Spannungsbereich ; Unterspannungswächter mit 87a, Verbindung S10
1.008.211.00
Schwellen: 23V / 25V; Unterspannungswächter ohne 87a, Verbindung S8
1.008.211.xx
Individueller Spannungsbereich ; Unterspannungswächter ohne 87a, Verbindung S8

Field Application Engineering / Support Team

Sie haben Fragen zu unseren MRS Produkten? Unser Field Application Engineering / Support Team unterstützt Sie gerne.

MRS Online-Shop

MRS Online-Shop Privatkunden und E-Mobility

Online-Shop

Hier finden Sie unsere frei programmierbaren Steuerungen und Relais sowie unsere robusten und zuverlässigen MCharger Ladelösungen.


Kontakt

Sie möchten mehr erfahren oder suchen ein bestimmes Produkt?

Dann kontaktieren Sie uns gerne.

 

Kontaktformular Clear

Kontaktformular Clear