Steuerung M1 12 V

zu den Bestellvarianten

Die Steuerung M1 mit einer Betriebsspannung von 12 V ist ein kleine, leistungsstarke und kostengünstige Steuerung. Neben dem kompakten Zeitrelais gibt es in dieser Kompaktversion ein Impulsrelais, ein Schrittschaltrelais, einen Blinkgeber sowie andere Funktionen auf Anfrage. Die genannten Funktionen sind standardmäßig hinterlegt und müssen nur noch konfiguriert und parametriert werden. Selbstverständlich können die Standardfunktionen auch direkt bestellt werden.

Technische Details

Ein- und Ausgänge

Anzahl Pins 5 / 6
Ein-/Ausgänge (gesamt) 2
Eingänge (gesamt) 1
Eingänge (digital) 1
Ausgänge (gesamt) 1
Relaisausgänge 1
Schaltstrom NO 20 A / NC 15 A

Mechanische Eigenschaften

Schutzklasse IP53
Gehäusematerial PA66GF30
Abmessungen 30 × 30 × 30 mm

Programmierung

Programmiersoftware MRS Realizer

Allgemeines

Temperaturbereich -40 bis +85°C
Betriebsspannung 7.2-16 V
Stromaufnahme 2 mA + Load 
Prozessorarchitektur 16-Bit

Kennzeichnungen

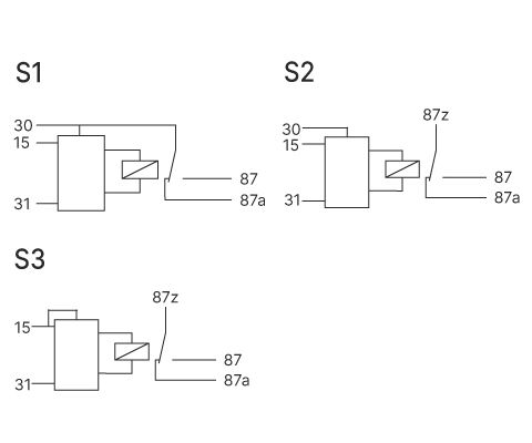
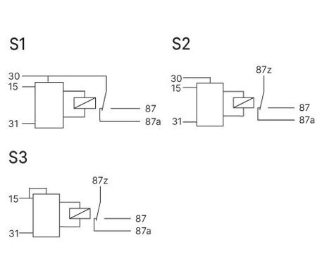
Bestellvarianten
Bestell-Nr.Bezeichnung
1.028.101.00
Typ A, Verbindung S1
1.028.102.00
Typ B, Verbindung S2
1.028.103.00
Typ C, Verbindung S3

Field Application Engineering / Support Team

Sie haben Fragen zu unseren MRS Produkten? Unser Field Application Engineering / Support Team unterstützt Sie gerne.

MRS Online-Shop

MRS Online-Shop Privatkunden und E-Mobility

Online-Shop

Hier finden Sie unsere frei programmierbaren Steuerungen und Relais sowie unsere robusten und zuverlässigen MCharger Ladelösungen.


Kontakt

Sie möchten mehr erfahren oder suchen ein bestimmes Produkt?

Dann kontaktieren Sie uns gerne.

 

Kontaktformular Clear

Kontaktformular Clear