Spannungswächter 12 V

zu den Bestellvarianten

Die 12 V Spannungswächter werden zur Bereichsüberwachung verwendet. Der Spannungswächter schaltet Verbraucher bei Über- oder Unterschreiten bestimmter Schwellenspannungen an Klemme 15 ab. Die Standardwerte sind bei 12 V 11,5 V/ 12,5 V und bei 24 V 23,5 V/24,5 V. Die Spannungsschwellen können auch frei gewählt werden - bitte bei der Bestellung angeben.

Verzögerungszeiten sind ebenfalls möglich. Die Bereichsüberwachung (Fensterkomparator) schaltet Verbraucher ein oder aus, wenn sich die Spannung in einem bestimmten Bereich befindet. Bitte geben Sie bei der Bestellung den gewünschten Bereich an. Gehäuseformen finden Sie im Kapitel Gehäuse und Grundkörper.

Technische Details

Ein- und Ausgänge

Anzahl Pins 5
Ein-/Ausgänge (gesamt) 2
Eingänge (gesamt) 1
Eingänge (analog) 1
Ausgänge (gesamt) 1
Relaisausgänge 1
Schaltstrom NC 15 A / NO 5 A

Mechanische Eigenschaften

Schutzklasse IP53
Gehäusematerial PA66GF30
Abmessungen 30 × 30 × 40 mm
Schaltzyklen 50000

Programmierung

Programmiersoftware MRS Realizer

Allgemeines

Temperaturbereich -40 bis +85°C
Betriebsspannung 10-16 V
Stromaufnahme 0.3 mA 

Kennzeichnungen

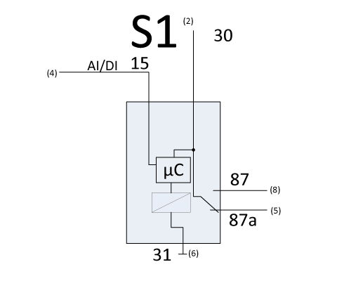
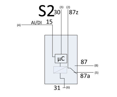
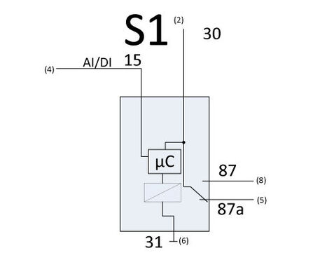
Bestellvarianten
Bestell-Nr.Bezeichnung
1.008.100.00
Spannungsschwellen: 11,5V / 12,5V, Typ A, Verbindung S1
1.008.100.xx
Individueller Spannungsbereich , Typ A, Verbindung S1
1.008.126.00
Spannungsschwellen Standard: 11,5V / 12,5V, Typ A, Verbindung S1
1.008.126.xx
Individueller Spannungsbereich , Typ A, Verbindung S1
1.008.156.00
Spannungsschwellen Standard: 11,5V / 12,5V, Typ B, Verbindung S2
1.008.156.xx
Individueller Spannungsbereich , Typ B, Verbindung S2
1.008.127.00
Spannungsschwellen Standard: 11,5V / 12,5V, Typ A, Verbindung S1
1.008.127.xx
Individueller Spannungsbereich , Typ A, Verbindung S1
1.008.150.00
Spannungsschwellen Standard: 11,5V / 12,5V, Typ B, Verbindung S2
1.008.150.xx
Individueller Spannungsbereich , Typ B, Verbindung S2

Field Application Engineering / Support Team

Sie haben Fragen zu unseren MRS Produkten? Unser Field Application Engineering / Support Team unterstützt Sie gerne.

MRS Online-Shop

MRS Online-Shop Privatkunden und E-Mobility

Online-Shop

Hier finden Sie unsere frei programmierbaren Steuerungen und Relais sowie unsere robusten und zuverlässigen MCharger Ladelösungen.


Kontakt

Sie möchten mehr erfahren oder suchen ein bestimmes Produkt?

Dann kontaktieren Sie uns gerne.

 

Kontaktformular Clear

Kontaktformular Clear