PROP CAN

zu den Bestellvarianten

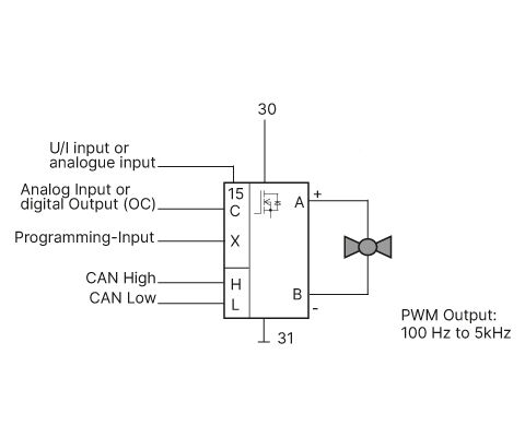
Das Proportionalventilsteuergerät mit CAN-Bus dient zur Durchflussmengenregelung eines Proportionalventils. Er wird für viele hydraulische Anwendungen benötigt. CAN High-Speed ermöglicht den Datenaustausch zwischen den Modulen und gewährleistet eine einfache Integration in bestehende Systeme. Durch die mikrocontrollergesteuerte Stromregelung kann mittels Applikations-Software der gewünschte Ausgangsstrom vorgegeben werden.

Ansteuerung und Auslesen aller Werte per CAN-Bus möglich. Schwankungen in der Versorgungsspannung und Temperatur werden kompensiert. Hierdurch ist eine konstante Durch­flussmenge gewährleistet. Um ein Festsetzen des Ventils zu vermeiden, kann eine Ditherfrequenz (überlagertes Rechteck mit geringerer Frequenz) eingestellt werden. Gehäuseformen finden Sie im Kapitel Gehäuse und Grundkörper.

Downloads
Technische Details

Ein- und Ausgänge

Anzahl Pins 9
Ein-/Ausgänge (gesamt) 3
Eingänge (gesamt) 2
Eingänge (analog) 2
Ausgänge (gesamt) 1
Ausgänge (PWM-fähig, mit Stromregelung für Ventile) 1
High-Side 1
Schaltstrom 3 A

Schnittstellen

CAN-Schnittstelle(n) 1

Mechanische Eigenschaften

Schutzklasse bis zu IP6K8
Gehäusematerial PA66GF30
Abmessungen 30 × 30 × 40 mm

Programmierung

Programmiersoftware MRS Developers Studio

Allgemeines

Temperaturbereich -40 bis +85°C
Betriebsspannung 9-32 V
Stromaufnahme 30 mA 
Prozessorarchitektur 8-Bit

Kennzeichnungen

Bestellvarianten
Bestell-Nr.Bezeichnung
1.108.310.00
Prop CAN 9-30V, Spannungs- / Stromsollwert mit CAN-Bus, Typ A, Verbindung S1

Field Application Engineering / Support Team

Sie haben Fragen zu unseren MRS Produkten? Unser Field Application Engineering / Support Team unterstützt Sie gerne.

MRS Online-Shop

MRS Online-Shop Privatkunden und E-Mobility

Online-Shop

Hier finden Sie unsere frei programmierbaren Steuerungen und Relais sowie unsere robusten und zuverlässigen MCharger Ladelösungen.


Kontakt

Sie möchten mehr erfahren oder suchen ein bestimmes Produkt?

Dann kontaktieren Sie uns gerne.

 

Kontaktformular Clear

Kontaktformular Clear