Micro SPS 24 V

zu den Bestellvarianten

Die Micro SPS ist eine Kleinststeuerung für automotive Anwendungen. Freie Konfigurier-, Parametrier- und Programmierbarkeit bieten vielfältige Einsatzmöglichkeiten im Kfz-Bereich.

Downloads
Technische Details

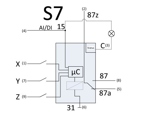
Ein- und Ausgänge

Anzahl Pins 9
Ein-/Ausgänge (gesamt) 6
Eingänge (gesamt) 4
Eingänge (analog) 1
Eingänge (digital) 3
Ausgänge (gesamt) 2
Ausgänge (digital) 1
Relaisausgänge 1
Low-Side 1
Schaltstrom NO 10 A / NC 5 A

Mechanische Eigenschaften

Schutzklasse bis zu IP6K8
Gehäusematerial PA66GF30
Abmessungen 30 × 30 × 40 mm

Programmierung

Programmiersoftware MRS Realizer

Allgemeines

Temperaturbereich -40 bis +85°C
Betriebsspannung 16-32 V
Prozessorarchitektur 16-Bit

Kennzeichnungen

Bestellvarianten
Bestell-Nr.Bezeichnung
1.005.​251.00
E3 EA1 OR1, 3 digitale 1 analoger Eingang, 1 Relaisausgang, Typ B, Verbindung S5
1.005.250.00
E3 EA1 OR1, 3 digitale 1 analoger Eingang, 1 Relaisausgang, 1 open collector Ausgang, Typ B, Verbindung S5
1.005.254.00
E3 EA1 OR1, 3 digitale 1 analoger Eingang, 1 Relaisausgang, Typ B, Verbindung S6
1.005.253.00
E3 EA1 OR1, 3 digitale 1 analoger Eingang, 1 Relaisausgang, 1 open collector Ausgang, Typ C, Verbindung S7

Field Application Engineering / Support Team

Sie haben Fragen zu unseren MRS Produkten? Unser Field Application Engineering / Support Team unterstützt Sie gerne.

MRS Online-Shop

MRS Online-Shop Privatkunden und E-Mobility

Online-Shop

Hier finden Sie unsere frei programmierbaren Steuerungen und Relais sowie unsere robusten und zuverlässigen MCharger Ladelösungen.


Kontakt

Sie möchten mehr erfahren oder suchen ein bestimmes Produkt?

Dann kontaktieren Sie uns gerne.

 

Kontaktformular Clear

Kontaktformular Clear