Load Dump Schutzmodul

zu den Bestellvarianten

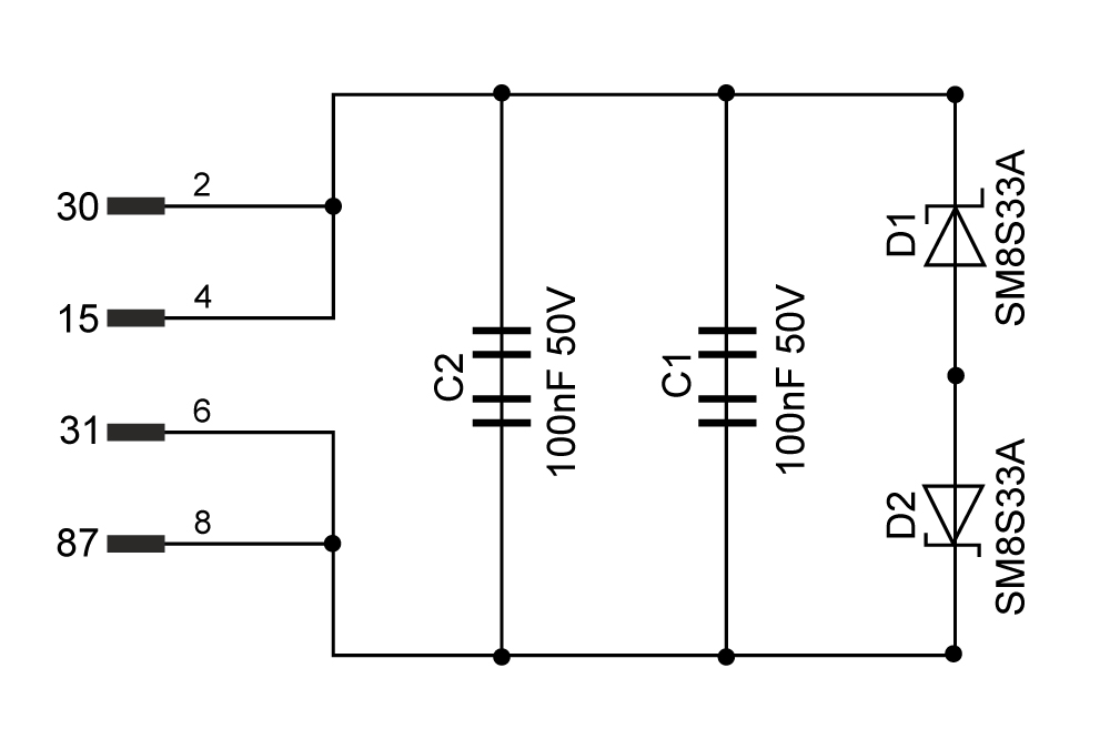
Das Load Dump Schutzmodul dient zum Schutz gegen Spannungsspitzen.

Technische Details

Mechanische Eigenschaften

Schutzklasse IP53
Gehäusematerial PA66GF30
Abmessungen 30 × 30 × 30 mm

Allgemeines

Temperaturbereich -40 bis +85°C
Betriebsspannung 9-32 V
Bestellvarianten
Bestell-Nr.Bezeichnung
1.051.300.00
Load Dump Schutzmodul

Field Application Engineering / Support Team

Sie haben Fragen zu unseren MRS Produkten? Unser Field Application Engineering / Support Team unterstützt Sie gerne.

MRS Online-Shop

MRS Online-Shop Privatkunden und E-Mobility

Online-Shop

Hier finden Sie unsere frei programmierbaren Steuerungen und Relais sowie unsere robusten und zuverlässigen MCharger Ladelösungen.


Kontakt

Sie möchten mehr erfahren oder suchen ein bestimmes Produkt?

Dann kontaktieren Sie uns gerne.

 

Kontaktformular Clear

Kontaktformular Clear