LED Universalblinkgeber 24 V

zu den Bestellvarianten

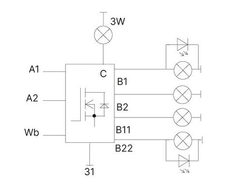
Der 24 V Universalblinkgeber LED ist für LED-Leuchten als auch für Leuchten mit Glühlampen geeignet. Dieser Blinkgeber ist geeignet für Links- und Rechts-Blin­ken mit Warnblinkfunktion und Frequenzverdopplung bei Lampen-/LED-Ausfall. Klemme C dient als Blinkerlampenkontroll-Ausgang. Fällt eine Leuchte im Blinkermodus aus, verdoppelt sich die Frequenz an Klemme C (C2 Funktion).

Wird an den Blinker-Eingang Links oder Rechts Betriebsspannung angelegt, startet der Blinkgeber unmittelbar. Wird am Eingang Warnblinken oder an beiden Blinker­eingängen Betriebsspannung angelegt wird die Funktion Warnblinken aktiviert. Über (nach Kundenwunsch einstellbare) Strom-Schwellen werden Ausfälle der angeschlossenen Lampen bzw. LED-Leuchten an jedem der 4 Ausgangskanäle erkannt. Die Blinkfrequenz wird umgehend verdoppelt (C2 Funktion). Während der Funktion Warnblinken wird die Blinkfrequenz nicht verdoppelt.

Downloads
Technische Details

Ein- und Ausgänge

Anzahl Pins 9
Ein-/Ausgänge (gesamt) 8
Eingänge (gesamt) 3
Eingänge (digital) 3
Ausgänge (gesamt) 5
Ausgänge (digital) 5
High-Side 4
Low-Side 1
Schaltstrom 4 x 2 A

Mechanische Eigenschaften

Schutzklasse IP53
Gehäusematerial PA66GF30
Abmessungen 30 × 30 × 40 mm

Programmierung

Programmiersoftware MRS Realizer

Allgemeines

Temperaturbereich -40 bis +85°C
Betriebsspannung 16-32 V
Blinkfrequenz 90 +/-30 Impulse/min
Bestellvarianten
Bestell-Nr.Bezeichnung
1.007.210.00
LED Universalblinkgeber 24 V

Field Application Engineering / Support Team

Sie haben Fragen zu unseren MRS Produkten? Unser Field Application Engineering / Support Team unterstützt Sie gerne.

MRS Online-Shop

MRS Online-Shop Privatkunden und E-Mobility

Online-Shop

Hier finden Sie unsere frei programmierbaren Steuerungen und Relais sowie unsere robusten und zuverlässigen MCharger Ladelösungen.


Kontakt

Sie möchten mehr erfahren oder suchen ein bestimmes Produkt?

Dann kontaktieren Sie uns gerne.

 

Kontaktformular Clear

Kontaktformular Clear