LED Universalblinkgeber 12 V

zu den Bestellvarianten

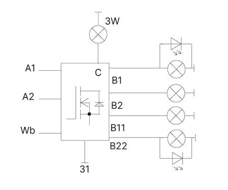
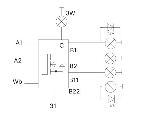
Der Universalblinkgeber LED ist sowohl für LED-Leuchten als auch für Leuchten mit Glühlampen geeignet. Dieser Blinkgeber ist geeignet für Links- und Rechts-Blin­ken mit Warnblinkfunktion und Frequenzverdopplung bei Lampen-/LED-Ausfall. Klemme C dient als Blinkerlampenkontroll-Ausgang. Fällt eine Leuchte im Blinkermodus aus, verdoppelt sich die Frequenz an Klemme C (C2 Funktion).

Downloads
Technische Details

Ein- und Ausgänge

Anzahl Pins 9
Ein-/Ausgänge (gesamt) 8
Eingänge (gesamt) 3
Eingänge (digital) 3
Ausgänge (gesamt) 5
Ausgänge (digital) 5
High-Side 4
Low-Side 1
Schaltstrom 4 x 2 A

Mechanische Eigenschaften

Schutzklasse IP53
Gehäusematerial PA66GF30
Abmessungen 30 × 30 × 40 mm

Programmierung

Programmiersoftware MRS Realizer

Allgemeines

Temperaturbereich -40 bis +85°C
Betriebsspannung 9-16 V
Blinkfrequenz 90 +/-30 Impulse/min
Bestellvarianten
Bestell-Nr.Bezeichnung
1.007.110.00
LED Universalblinkgeber 12 V

Field Application Engineering / Support Team

Sie haben Fragen zu unseren MRS Produkten? Unser Field Application Engineering / Support Team unterstützt Sie gerne.

MRS Online-Shop

MRS Online-Shop Privatkunden und E-Mobility

Online-Shop

Hier finden Sie unsere frei programmierbaren Steuerungen und Relais sowie unsere robusten und zuverlässigen MCharger Ladelösungen.


Kontakt

Sie möchten mehr erfahren oder suchen ein bestimmes Produkt?

Dann kontaktieren Sie uns gerne.

 

Kontaktformular Clear

Kontaktformular Clear