Impulsrelais M1 kompakt 12 V

zu den Bestellvarianten

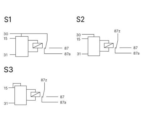
Impulsrelaiskompakt finden Einsatz, wenn Verbraucher für eine definierte Zeit ein- oder ausgeschaltet werden sollen. Bitte geben Sie bei der Bestellung die gewünschte Impulszeiten an. Schaltbild S1 und S2: An Klemme 30 wird Betriebsspannung angelegt. Wird an Klemme 15 Spannung angelegt, zieht das Relais unmittelbar für die angegebene Zeit an und fällt danach wieder ab. Die Dauer des Ansteuersignals hat keinen Einfluss auf die Ausgangsimpulsdauer (d.h. das Relais ist nicht nachtriggerbar).

Schaltbild S3: An Klemme 15 wird Betriebsspannung angelegt. Wird an Klemme 15 Spannung angelegt, zieht das Relais unmittelbar für die angegebene Zeit an und fällt danach wieder ab. Schaltbild S2 und S3: Die Kontakte sind getrennt von der Ansteuerung und können daher in Verknüpfungen eingesetzt werden. Bei dieser Variante ist der Relaiskontakt komplett potentialfrei und somit in der Lage Wechselspannung zu schalten. Gehäuseformen finden Sie im Kapitel Gehäuse und Grundkörper.

Downloads
Technische Details

Ein- und Ausgänge

Anzahl Pins 5
Ein-/Ausgänge (gesamt) 2
Eingänge (gesamt) 1
Eingänge (digital) 1
Ausgänge (gesamt) 1
Relaisausgänge 1
Schaltstrom 20 A

Mechanische Eigenschaften

Schutzklasse IP53
Gehäusematerial PA66GF30
Abmessungen 30 × 30 × 30 mm
Schaltzyklen 100000

Programmierung

Programmiersoftware MRS Realizer

Allgemeines

Temperaturbereich -40 bis +85°C
Betriebsspannung 9-16 V
Stromaufnahme 75 mA 
Ruhestrom (12V) 1 mA

Kennzeichnungen

Bestellvarianten
Bestell-Nr.Bezeichnung
1.002.181.xx
Individuelle Impulszeit , Typ A, Verbindung S1
1.002.182.xx
Individuelle Impulszeit , Typ B, Verbindung S2
1.002.183.xx
Individuelle Impulszeit , Typ C, Verbindung S3

Field Application Engineering / Support Team

Sie haben Fragen zu unseren MRS Produkten? Unser Field Application Engineering / Support Team unterstützt Sie gerne.

MRS Online-Shop

MRS Online-Shop Privatkunden und E-Mobility

Online-Shop

Hier finden Sie unsere frei programmierbaren Steuerungen und Relais sowie unsere robusten und zuverlässigen MCharger Ladelösungen.


Kontakt

Sie möchten mehr erfahren oder suchen ein bestimmes Produkt?

Dann kontaktieren Sie uns gerne.

 

Kontaktformular Clear

Kontaktformular Clear