Impulsrelais einstellbar 24 V

zu den Bestellvarianten

Impulsrelais einstellbar werden eingesetzt, wenn Verbraucher für einen zeitlich definierten Bereich ein- oder ausgeschaltet werden sollen. Zur Auswahl stehen standardmäßig fünf Zeitbereiche (siehe Bestellvarianten). Innerhalb des gewählten Zeitbereichs kann die Impulszeiten via Poti geändert werden. Andere Zeitbereiche realisieren wir auf Anfrage. Bitte geben Sie bei der Bestellung den gewünschten Zeitbereich an.

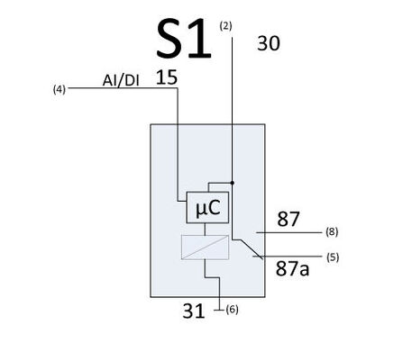
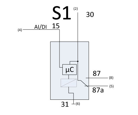
Schaltbild S1: An Klemme 30 wird Betriebsspannung angelegt. Wird an Klemme 15 die Spannung kurz oder permanent angelegt, zieht das Relais unmittelbar für die eingestellte Zeit an und fällt danach wieder ab. Schaltbild S3: An Klemme 87z wird Betriebsspannung angelegt. Wird an Klemme 15 Spannung kurz oder permanent angelegt, zieht das Relais unmittelbar für die eingestellte Zeit an und fällt danach wieder ab. Ansteuerung und Kontakte sind voneinander getrennt und können somit in eine Verknüpfungskette eingereiht werden. Alle Schaltbilder: Die Dauer des Ansteuersignals hat keinen Einfluss auf die Dauer des Ausgangsimpulses (d.h. das Relais ist nicht nachtriggerbar). Die genaue Impulslänge kann mit dem Poti innerhalb des gegebenen Zeitintervalls eingestellt werden. Gehäuseformen finden Sie im Kapitel Gehäuse und Grundkörper.

Downloads
Technische Details

Ein- und Ausgänge

Anzahl Pins 5
Ein-/Ausgänge (gesamt) 2
Eingänge (gesamt) 1
Eingänge (digital) 1
Ausgänge (gesamt) 1
Relaisausgänge 1
Schaltstrom NO 10 A / NC 5 A

Mechanische Eigenschaften

Schutzklasse IP53
Gehäusematerial PA66GF30
Abmessungen 30 × 30 × 40 mm
Schaltzyklen 100000

Programmierung

Programmiersoftware MRS Realizer

Allgemeines

Temperaturbereich -40 bis +85°C
Betriebsspannung 16-32 V
Stromaufnahme 0.3 mA 

Kennzeichnungen

Bestellvarianten
Bestell-Nr.Bezeichnung
1.022.215.xx
Individueller Zeitbereich , Typ A, Verbindung S1
1.022.215.01
Zeitbereich 0,5 – 5 s, Typ A, Verbindung S1
1.022.215.02
Zeitbereich 1 – 30 Sekunden, Typ A, Verbindung S1
1.022.215.03
Zeitbereich 5 – 60 Sekunden, Typ A, Verbindung S1
1.022.215.04
Zeitbereich 30 – 900 Sekunden, Typ A, Verbindung S1
1.022.215.05
Zeitbereich 5 – 4000 Sekunden, Typ A, Verbindung S1
1.022.214.xx
Individueller Zeitbereich , Typ C, Verbindung S3
1.022.214.01
Zeitbereich 5 – 5 Sekunden, Typ C, Verbindung S3
1.022.214.02
Zeitbereich 1 – 30 Sekunden, Typ C, Verbindung S3
1.022.214.03
Zeitbereich 5 – 60 Sekunden, Typ C, Verbindung S3
1.022.214.04
Zeitbereich 30 – 900 Sekunden, Typ C, Verbindung S3
1.022.214.05
Zeitbereich 5 – 4000 Sekunden, Typ C, Verbindung S3

Field Application Engineering / Support Team

Sie haben Fragen zu unseren MRS Produkten? Unser Field Application Engineering / Support Team unterstützt Sie gerne.

MRS Online-Shop

MRS Online-Shop Privatkunden und E-Mobility

Online-Shop

Hier finden Sie unsere frei programmierbaren Steuerungen und Relais sowie unsere robusten und zuverlässigen MCharger Ladelösungen.


Kontakt

Sie möchten mehr erfahren oder suchen ein bestimmes Produkt?

Dann kontaktieren Sie uns gerne.

 

Kontaktformular Clear

Kontaktformular Clear