Blinkgeber M3 12 V

zu den Bestellvarianten

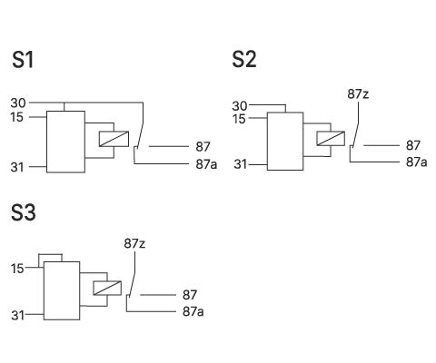
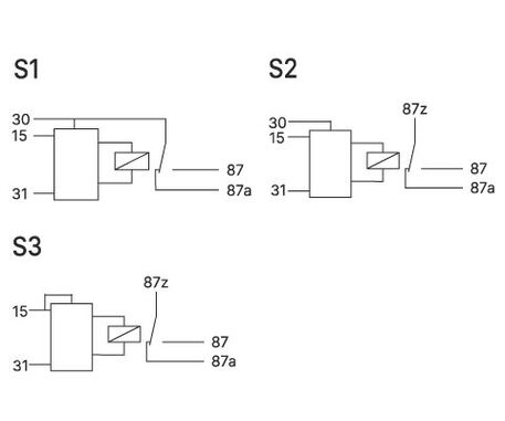
Blinkgeber Start/Stop M3 werden eingesetzt für das Richtungs- und Warnblinken. Der Blinkgeber kann für verschiedene Fahrzeugtypen verwendet werden. Alle Schaltbilder: An Klemme 30/87z wird Betriebsspannung angelegt. Wird an Klemme 15 Spannung angelegt, startet der Blinkgeber unmittelbar. Er erzeugt im Betrieb 90 +/-30 Impulse pro Minute. Der Ausgang ist mit bis zu 20 A belastbar, höhere Lasten können durch ein nachgeschaltetes Last­Relais ebenfalls betrieben werden. An 87a liegt das invertierte Ansteuersignal an. Gehäuseformen finden Sie im Kapitel Gehäuse und Grundkörper.

Downloads
Technische Details

Ein- und Ausgänge

Anzahl Pins 5
Ein-/Ausgänge (gesamt) 2
Eingänge (gesamt) 1
Eingänge (digital) 1
Ausgänge (gesamt) 1
Relaisausgänge 1
Schaltstrom NO 20 A / NC 15 A

Mechanische Eigenschaften

Schutzklasse bis zu IP6K8
Gehäusematerial PA66GF30
Abmessungen 30 × 30 × 40 mm
Schaltzyklen 100000

Programmierung

Programmiersoftware MRS Realizer

Allgemeines

Temperaturbereich -40 bis +85°C
Betriebsspannung 9-16 V
Blinkfrequenz 90 +/-30 Impulse/min
Stromaufnahme 2 ± 1 mA 

Kennzeichnungen

Bestellvarianten
Bestell-Nr.Bezeichnung
1.007.191.00
Typ A, Verbindung S1
1.007.192.00
Typ B, Verbindung S2
1.007.193.00
Typ C, Verbindung S3

Field Application Engineering / Support Team

Sie haben Fragen zu unseren MRS Produkten? Unser Field Application Engineering / Support Team unterstützt Sie gerne.

MRS Online-Shop

MRS Online-Shop Privatkunden und E-Mobility

Online-Shop

Hier finden Sie unsere frei programmierbaren Steuerungen und Relais sowie unsere robusten und zuverlässigen MCharger Ladelösungen.


Kontakt

Sie möchten mehr erfahren oder suchen ein bestimmes Produkt?

Dann kontaktieren Sie uns gerne.

 

Kontaktformular Clear

Kontaktformular Clear